產品介紹
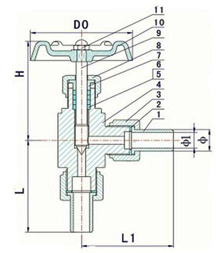
針型截止閥是作為精確的流量控制用的。閥瓣通常于閥桿做成一體,它有一個與閥座配合、精度非常高的針形頭部。而且針型截止閥閥桿螺紋的螺距比一般普通截止閥的閥桿螺 紋螺距要細。在通常情況下,針型截止閥閥座孔的尺寸比管道尺寸小。
聲明:本文中所有文字、數據、圖片均只適用于參考。詢價提供相關產品參數:產品名稱、型號、口徑、材質、介質、壓力、溫度、連接標準、數量等,如對產品有特殊要求,請在詢價時一并提出?;蛘呤褂脠龊戏浅V匾颦h(huán)境比較復雜,請您盡量提供設計圖紙和詳細參數,由我們專業(yè)工程師為您審核選型。
感謝訪問我司網站http://lingpaozheshop.cn,如你對該產品還有任何疑問可致電我們,我們將為您提供優(yōu)質的售前咨詢服務。咨詢手機:15002111058;電話:021-56051151。
更多產品






