產品介紹
1.4308、1.4408,是屬于德標耐腐蝕鋼鑄件材質,分別對應SUS304,SUS316,是常用的德標不銹鋼閥門的材質。
德標不銹鋼法蘭球閥設計制造標準DIN3357,1.4308類似304材質/1.4408類似316材質,適用介質:水、蒸汽、油品、硝酸類、醋酸類,是德標體的高平臺法蘭式不銹鋼球閥。
德標不銹鋼法蘭球閥設計標準:
設計與制造:DIN3357
結構長度:DIN3202
連接法蘭:DIN2542-2546
試驗與檢驗:DIN3230
| 公稱通徑mm | DN15-DN250 | ||
| 材料代號 | P | R | |
| 主要零件 | 閥 體 | 1.4308 | 1.4408 |
| 密封圈 | 增強聚四氟乙烯 對位聚苯 | ||
| 填 料 | 聚四氟乙烯 柔性石墨 | ||
| 適用工況 | 適用介質 | 硝酸類 | 醋酸類 |
| 適用溫度 | -28℃ - 300℃ | ||
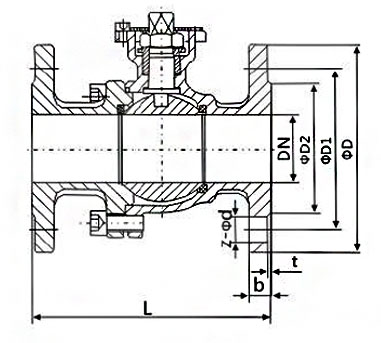
德標1.4408不銹鋼球閥外形結構和連接尺寸

| 公稱通徑 | PN | d | L | R | C | D | T | ISO 5211 |
| DN15 | 10-40 | 15 | 115 | 45 | 65 | 95 | 14 | F04 |
| DN20 | 10-40 | 20 | 120 | 58 | 75 | 105 | 16 | F04 |
| DN25 | 10-40 | 25 | 125 | 68 | 85 | 115 | 16 | F04 |
| DN32 | 10-40 | 32 | 130 | 78 | 100 | 140 | 16 | F05 |
| DN40 | 10-40 | 38 | 140 | 88 | 110 | 150 | 16 | F07 |
| DN50 | 10-40 | 50 | 150 | 102 | 125 | 165 | 18 | F07 |
| DN65 | 10-16 | 65 | 170 | 122 | 145 | 185 | 18 | F07 |
| DN80 | 10-16 | 78 | 180 | 138 | 160 | 200 | 20 | F10 |
| DN100 | 10-16 | 100 | 190 | 158 | 180 | 220 | 20 | F10 |
| DN125 | 10-16 | 125 | 325 | 188 | 210 | 250 | 22 | F12 |
| DN150 | 10-16 | 150 | 350 | 212 | 240 | 285 | 22 | F12 |
| DN200 | 10-16 | 200 | 400 | 268 | 295 | 340 | 24 | F12 |
| DN250 | 10-16 | 250 | 450 | 320 | 355 | 405 | 26 | F14 |
聲明:本文中所有文字、數據、圖片均只適用于參考。詢價提供相關產品參數:產品名稱、型號、口徑、材質、介質、壓力、溫度、連接標準、數量等,如對產品有特殊要求,請在詢價時一并提出?;蛘呤褂脠龊戏浅V匾颦h(huán)境比較復雜,請您盡量提供設計圖紙和詳細參數,由我們專業(yè)工程師為您審核選型。
感謝訪問我司網站http://lingpaozheshop.cn,如你對該產品還有任何疑問可致電我們,我們將為您提供優(yōu)質的售前咨詢服務。咨詢手機:15002111058;電話:021-56051151。
更多產品






